8051 Microcontroller | 8051 Microcontroller Architecture




8051 Microcontroller Architecture

     8051 Microcontroller Architecture

    8051 Microcontroller Architecture

    8051 Microcontroller

       Instruction Register

      Instruction Register

       Microcontroller

      Microcontroller

      8-bit Microcontroller

        • 8-bit CPU
        • On-chip Oscillator
        • 4KB of ROM (Program Memory)
        • 128 bytes of RAM (Data Memory)
        • 21 Special function register
        • 32 I/O lines(Ports P0 to P3)
        • 64 KB address space for external data memory - Data
        • 64 KB address space for program memory - Code
        • 2 - 16 bit timer/counter
        • 5 source interrupt structure
        • 5 duplex serial port
        • Bit addressability
        • Powerful bit processing capability
         8-bit Microcontroller

        8-bit Microcontroller

        SFR – Special Function Register

           Special Function Register

          Special Function Register

          128 Bytes RAM

            • 64 KB address space for external data memory - Data
            • 64 KB address space for program memory - Code
             Bit Address  Area

            Bit Address Area

             Data Bus

            Data Bus

            128 Bytes RAM / 4 KB ROM

               128 Bytes RAM / 4 KB ROM

              128 Bytes RAM / 4 KB ROM

              8051 Microcontroller Architecture

                 8051
Microcontroller

                8051 Microcontroller

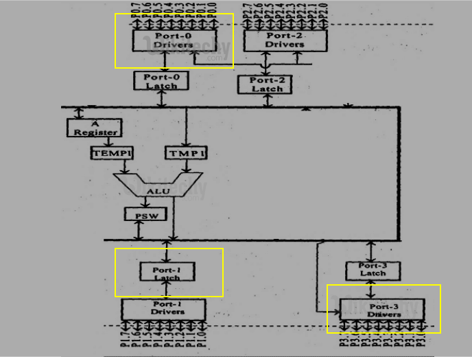
                Ports in 8051 (P0,P1,P2 and P3)

                Ports (0-3): There are 4 bidirectional input/ output ports of 8 bits each.

                • P0 and P2 can be used as I/O ports or address lines for external memory
                • P1 can be used as I/O ports
                • P3 can be used as I/O ports and other alternate functions
                 Ports

                Ports in 8051 (P0,P1,P2 and P3)

                 Cable Connector

                Ports in Realworld

                Program Status Word register (PSW)

                   
Program Status Word register

                  Program Status Word register in 8051 Microcontroller

                   Program Status Word register

                  PSW register in Real World

                   Program Status Word register

                  General-purpose flag (F0)

                    • This is a user-programmable flag; the user can program and store any bit of their choice in this flag, using the bit address.

                    Parity bit (P)

                      • It is set to 1 if the accumulator contains an odd number of 1s, after an arithmetic or logical operation.

                      Overflow flag (OV)

                        • This flag is set during ALU operations, to indicate overflow in the result. It is set to 1 if there is a carry out of either the D7 bit or the D6 bit of the accumulator.

                        Auxiliary carry flag (AC)

                          • This flag is set when there is a carry out of the D3 bit of the accumulator.

                          Carry flag (CY)

                            • This flag is used to indicate the carry generated after arithmetic operations.

                            Register bank Select Bits (RS0 & RS1)

                              • These bits are user-programmable. The register bank can be selected by using RS0 and RS1bits.

                              Arithmetic and Logic Unit (ALU)

                                • Arithmetic and Logic Unit performs 8 bit arithmetic and logical operations over the operands held by the temporary registers TMP1 and TMP2.
                                • Users cannot access temporary registers.
                                Arithmetic and Logic Unit

                                Arithmetic Logic Unit in 8051 Microcontroller

                                 Address Bus

                                Address Bus

                                ACC Register

                                  • ACC is an 8 bit register called as A register.
                                  • It is used to hold one of the operands during ALU operation and the result is stored in the ACC.
                                   ACC Register in 8051 Microcontroller

                                  ACC Register in 8051 Microcontroller

                                  Special Function Register in 8051 Microcontroller

                                     Special Function Register in 8051 Microcontroller

                                    Special Function Register in 8051 Microcontroller

                                    B register

                                      • It is an 8 bit register. This register is used to hold one of the operands for multiply and divide operation and a part of the result is stored in the register.
                                      • It also acts like a scratch pad or temporary register
                                       B Register

                                      B Register in in 8051 Microcontroller

                                       B Register

                                      B Reg in Realworld

                                      Stack Pointer

                                        • It is an 8 bit register. This pointer can point any location in the internal data RAM from 0 - 127.
                                        • When reset, this register is initialized into 07H.
                                        • During PUSH and CALL instruction the stack pointer is first incremented and then data is stored in the stack.
                                         Stack Pointer

                                        Stack Pointer in in 8051 Microcontroller

                                         Stack Push

                                        Push Operaions in Stack

                                         Stack Pop

                                        Pop Operations in stack

                                        Serial Data buffer(SBUF)

                                          • The serial port data buffer internally consists of two independent register such as transmit buffer and receive buffer at the same location.
                                          • The transmit buffer is parallel in serial out register.
                                          • The serial data receive buffer is a serial in parallel out register. The serial data buffer is identified as SBUF.
                                           Serial Data buffer(SBUF)

                                          Serial Data buffer(SBUF) in 8051 Microcontroller

                                           Serial Data buffer(SBUF)

                                          Serial Data buffer(SBUF) Register in Realworld

                                          Timers registers

                                            • Two 16 bit registers can be accessed as their lower and upper bytes.
                                            • TL0 and TH0 represent the lower byte and higher byte of the timing register 0.
                                            • TL1 and TH1 represents the lower byte and higher byte of the timing register 1.
                                             Timer Count Register

                                            Timer Register in 8051 Microcontroller

                                             Timer Count Register

                                            Timer Counter Register

                                             Beambreak

                                            Timer Register in RealWorld

                                            Control Registers

                                              • Special function registers IP, IE, TMOD, TCON, SCON and PCON contain control and status information for interrupts, timers/ counters and serial port.
                                               Control Registers

                                              Timer Control Registers in 8051 Microcontroller

                                               Control Registers

                                              Timer Control Registers in Realworld

                                              Instruction register

                                                • This register decodes the opcode of an instruction to be executed and gives the information to the timing and control unit to generate necessary signals for the execution of an instruction.
                                                 Instruction register

                                                Instruction register in 8051 Microcontroller

                                                 Instruction register

                                                Instruction register in Realworld

                                                8051 Clock and Instruction Cycle

                                                  • In 8051, one instruction cycle consists of twelve (12) clock cycles. Instruction cycle is sometimes called as Machine cycle.
                                                   Instruction Cycle

                                                  Instruction Cycle

                                                  • In 8051, each instruction cycle has six states (S1 – S6).
                                                  • Each state has two pulses (P1 and P2).

                                                  Timing and control unit

                                                    • This unit derives all the necessary timing and control signals required for the internal operation of the circuit.
                                                     timing control

                                                    Timing and Control unit in 8051 Microcontroller

                                                    Oscillator

                                                    • This circuit generates the basic timing clock signal for the operation of the circuit using crystal oscillator.
                                                     Oscillator

                                                    Oscillator in 8051 Microcontroller

                                                     Oscillator

                                                    Oscillator in RealWorld

                                                    Program Counter

                                                      • It is a 16 bit register. It points to the address of next instruction to be executed from ROM and access from 0000 to FFFF.
                                                       Program Counter

                                                      Program Counter in 8051 Microcontroller

                                                       Program Counter

                                                      Program Counter in Realworld


                                                      Related Searches to 8051 Microcontroller | 8051 Microcontroller Architecture